性能参数
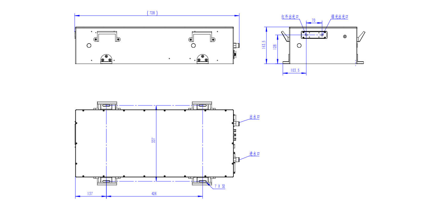
结构尺寸 (mm)
使用说明
-本激光器可支持110V ~
260V交流电源供电。
-请保持外部环境清洁,保持设备通风和散热良好;
-请保证激光器外界环境温度接近于水冷机设定温度22℃(注:水冷机设定温度参考激光器对应测试报告标明水冷机设置温度),使两者间温差尽量最小,且外界环境的相对湿度控制在10%~80%范围内,勿在高温高湿情况下操作激光器,以保证激光器的性能更好;
-请保证电控箱使用的电源进行保护接地,并避免将电控箱和激光器光腔放置在电磁干扰相差较大的环境中;
-操作全程应佩戴激光防护眼镜,并且无论在何种情况下,请勿直视激光输出窗口;
-请定期检查更换水冷机内的去离子水和滤芯,建议更换周期为一个月,保持水量充足、水质干净,水路畅通,以免造成供水不足或水路阻塞,以至于激光器受到损坏。
-运输、储存时需装原厂包装,平稳摆放,并注意防止颠簸,必要时请采用相应的固定措施。
-工作温度15℃~35℃。
-存储温度-10℃~+50℃。



